| Performance ηmax | 1000 |
|---|---|
| Diameter, mm | 200 |
| Height mm | 1140 |
| Max. transported air temperature, °C | 400 |
| Optimal speed, m/s | 6,6 |
| Ultimate pressure, Pa | 1307 |
| Weight, kg | 116 |
VZP-200
Negotiated price
VZP-200
Cyclone-Pilovluvach
Purpose of cyclones VZP-200
Cyclones VZP-200 are effectively used in pneumatic transport and aspiration systems, as dust collecting equipment for cleaning gas-air media from medium and fine dust. Due to its universal application, the dust collector can be installed and effectively used in almost any production. It is able to cope with different types of dust simultaneously. Dust collectors are successfully used in the mining industry, in the work with sand, clay, cement, ore dust, asbestos and silica dust, grain dust and other materials. To work with dust that has a high percentage of abrasive, the cyclone dust collector VZP-200 is recommended to be made on special order from thick metal and used as a filter.Advantages of cyclones VZP-200
- High degree of purification from fine dust 95-99 %
- Universal in use
- Lack of analogues
- Low price.
The principle of operation of cyclones VZP-200
The principle of operation of this cyclone of the dust collector VZP-200 is based on two air streams that undergo multilateral twisting. Cleaning begins with the twisting of the main stream, which moves along a given trajectory from top to bottom. An additional secondary flow rises from below and runs along the axis. At the same time, centrifugal force directs solid particles from the center to the walls of the cyclone, and they settle in the hopper. After cleaning, the air is discharged from the device through the central exhaust pipe. Flow ratio control is available during the entire process, so that the maximum degree of purification is achieved even if the initial parameters of the gas to be purified in the process are changed. The VZP cyclone works in conjunction with a fan, which is placed directly in front of the unit. In these units it is desirable to use the following fan models: VZP 5-45, VZP 6-45, VZP 6-46, VZP 7-40.Design of cyclones VZP-200
Cyclone VZP is made of carbon metal sheet, stainless steel for food industry, etc. Flanges are welded to the holes, with the help of which the elements are connected. Sometimes adapters (galvanized steel) are required to connect different sizes of holes. The cyclone for air cleaning is painted and packed before delivery. The unit can be manufactured both in right-hand and left-hand versions. It can be equipped with a storage hopper. Type, thickness of metal, overall dimensions, shape, price depends on the operating conditions of the cyclone and the wishes of the client. Cyclones-dust collectors VZP-200 are manufactured for work in climatic zones with temperate climate. Climatic execution UHL, placement category 4 according to GOST 15150-69.Main characteristics of VZP-200 cyclones
| Model | Productivity, m3/hour | Size, mm | Weight, kg | ||
| D | H | aхb | |||
| ВЗП-200 | 1000 | 200 | 1140 | 132x52 | 52 |
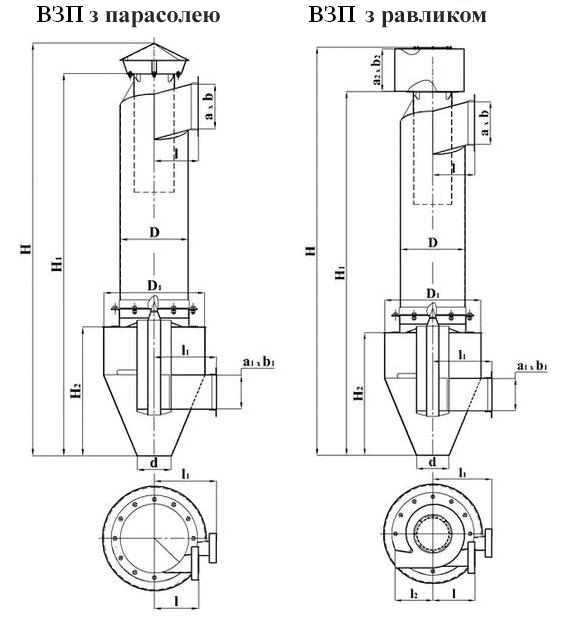
Dimensions
DIMENSIONS of VZP-200
Overall dimensions are approximate. Photos are for reference only.
Due to constant modernization, for accurate data, please contact the managers.

| Модель | Габаритні разміри, мм | |||||||||||||
| D | D1 | d | H | H1 | H2 | a | b | a1 | b1 | a2 | b2 | l | l1 | |
| ВЗП-300 | 300 | 450 | 150 | 1965 | 1710 | 585 | 198 | 78 | 150 | 63 | 251 | 99 | 180 | 258 |


Reviews
There are no reviews yet.