| Height mm | 2340 |
|---|---|
| Optimal speed, m/s | 3,5 |
| Productivity, m3 / h | 4000 |
| Weight, kg | 285 |
| Diameter, mm | 600 |
VZP-M-600
VZP-M-600
Cyclone dust trap
Purpose of cyclones VZP-M-600
Cyclones VZP-M-600 are used effectively in pneumatic transport and aspiration systems as dust-collecting equipment for purifying medium and fine dust from gas-air media. Due to its universal application, CCEs can be installed and used effectively in almost any production. It can handle various kinds of dust simultaneously.
The HBC dust collectors are successfully used in mining, sand, clay, cement, ore dust, asbestos and silicate dust, and other materials.
To deal with dust, which has a high percentage of abrasive, cyclone pulverizer VZP-M-600 is recommended to be manufactured on special order from thick metal and use it as a filter.
Advantages of cyclones VZP-M-600
- High degree of fine dust cleaning 95-99%
- Universal in use
- No analogues
- Low price.
The main advantage of FRP is that it can be used as a secondary flow for air purification. The cleaning air is fed into two exhaust channels at the same time by means of one fan installed.
Working principle of cyclones VZP-M-600
The principle of operation of this VZP-M-600 is based on two air streams that undergo multiple twisting. Cleanup begins with a winding of the main stream that moves down a specified path. An additional secondary flow rises from below and passes along the axis. In this case, the centrifugal force directs the solids from the center to the walls of the cyclone, and they settle in the bunker. After cleaning, the air is extracted from the unit through the central exhaust pipe. During the whole process, the flow ratio can be adjusted to achieve the maximum degree of cleaningeven if the original parameters of the purified gas are changed during the process.
The cyclone is paired with a fan which is placed directly in front of the unit. In these installations it is desirable to use the following fan models: WCP 5-45, WCP 6-45, WCP 6-46, WCP 7-40.
Cyclone construction VZP-M-600
Cyclone WAP is made of carbon metal sheet, stainless steel for food industry, etc. To the holes welded flanges with which the elements are bonded. Sometimes adapters (galvanized steel) are needed to connect different hole sizes. The cyclone for air purification is painted and packaged before delivery. The unit can be manufactured both in the right-hand version and in the left-hand version. It can be equipped with a storage hopper. Type, thickness of metal, dimensions, shape, price depends on the conditions of the cyclone and the customer’s wishes.
Cyclone pulverizers VZP-M-600 are manufactured for use in temperate climates. Climatic design UHL, category of accommodation 4 according to GOST 15150-69.
Main characteristics of cyclones VZP-M-600
|
Model |
Performance, m3/h |
Size, mm |
Mass, kg |
||
|
D |
H |
aхb |
|||
|
VZP-M-600 |
4000 |
600 |
2340 |
330x156 |
285 |
Price for cyclone dust collector VZP-M-600 dan without the cost of pedestal and dust shutter (the cost is calculated separately).
If you want to buy the VZP-M-600 Cyclone Dust Collector at the lowest price, you can contact our managers in the most convenient way for you. It is also possible to place an online order directly on the website. We have an individual discount system for regular customers or large orders. The company regularly announces promotional prices for popular items available in stock. In case you need advice on purchase or selection of goods or you are interested in the full price list, our managers will be glad to help you. The price of the cyclone dust collector VZP-M-600 in our store is almost always lower than average. We make sure that our customers receive the highest quality products and services at a reasonable price.
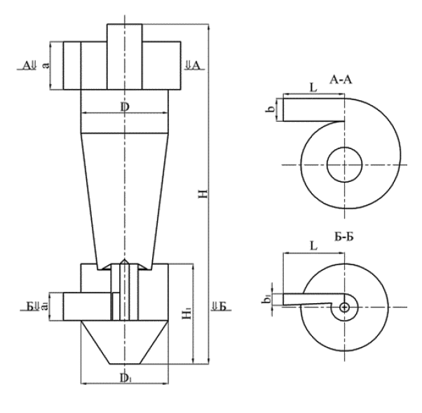
Dimensions
DIMENSIONS VZP-M-600
Overall dimensions are approximate. Photos are for reference only.
Due to the constant modernization, for accurate data, please contact the managers.

| Model | Overall dimensions, mm | |||||
| D/D1 | H | H1 | a/a1 | b/b1 | L | |
| VZP-M-600 | 500 | 1950 | 575 | 275/160 | 130/65 | 350 |


Reviews
There are no reviews yet.