| Productivity, m3 / h | 3179-3886 |
|---|---|
| Height mm | 2305 |
| Diameter, mm | 500 |
| Mass concentration of dust, g/m3: | 5-10 |
| Max. transported air temperature, °C | 400 |
| Optimal speed inside the installation, m/s: | 5 |
| Working pressure (max.), Pa: | 817 |
| Weight, kg | 131 |
CMS-27-500
CMS-27-500
Cyclone dust collector
General information about the cyclone
The scope of application of the cyclone type unit is ventilation. Intended for operation in the thermal power industry, cyclones CMC-27 are widely used for flue gas cleaning from solid dust particles. Mainly these units are installed in boiler rooms, both at large enterprises, and at enterprises of local scale. These units operate due to the natural draught system. The maximum temperature of gas flown through the CMC-27 cyclone must not exceed 400 degrees Celsius. If there is a need to run through the cyclone gas-air mixtures, which exceed the permissible temperature, then it must be made of special materials. It is necessary to liner the conical and cylindrical parts of the cyclone inner surface with heat-resistant material, and the exhaust pipe should be made of heat-resistant steel.Cyclone design
Cyclones CMC-27 can be made with left-hand rotation of gas flow and with right-hand rotation. These units do not have an outlet chamber, which usually serves for holding the cleaned gas. The hopper is cylindrical in shape. These cyclones are manufactured only in a single version and have gas purification indicators, which are 75-85%. Cyclone for air purification CMC-27 in standard version is made of stainless steel, but at the request of the customer can be made of any other material with any thickness. The initial cyclone calculation can be performed using the data from the table below.Cyclone main characteristics
| Model | Capacity, m3/h | Size, mm | Weight, kg | ||
| D | H | a x b | |||
| CMS-27-500 | 3179-3886 | 500 | 2305 | 629 x 125 | 131 |
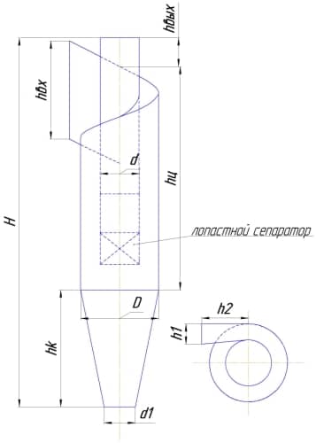
Dimensions
DIMENSIONS CMS-27-500
Dimensions are approximate. Photos are for reference only.
Due to constant modernization, please contact our managers for exact data.

| Model | Overall dimensions, mm | |||||||||
| D | H | hц | hk | h1 | h2 | d | d1 | h(in) | h(out) | |
| CMS-27-500 | 500 | 2305 | 1430 | 750 | 130 | 300 | 250 | 170 | 629 | 125 |



Reviews
There are no reviews yet.