| Productivity, m3 / h | 12600-16800 |
|---|---|
| Height mm | 5160 |
| Diameter, mm | 1765 |
| Max. transported air temperature, °C | 400 |
| Working pressure (max.), Pa: | 798 |
| Pollution limits, mg/m³ | 400000 |
| Optimal speed, m/s | 1,5 |
| Weight, kg | 805 |
LIOT-9
LIOT-9
Cyclone dust collector
Purpose of cyclones LlOT-9
The main application area of LIOT cyclones is coarse and medium purification of gas-air media from dry dust, from dust that does not adhere and has no fibrous structure. This unit is one of the first developments in aspiration systems, which began to be used as a filter for air purification. It is widely used at elevators, granaries, feed mills, and in other agricultural industries, as a dust collector of grain dust and other particles. It is reliable and practical due to its simple design.
Cyclone LlOT-9 is most often used as a first stage cleaning device, so in order to achieve higher purification quality, the air after treatment on this unit should be passed through fine filters. In tandem with these filters, the LlOT-9 is capable of providing 100% quality. When high quality is not required, this unit is used as the first and only stage of air purification.
The cleaning process in cyclones LlOT-9 takes place as follows:
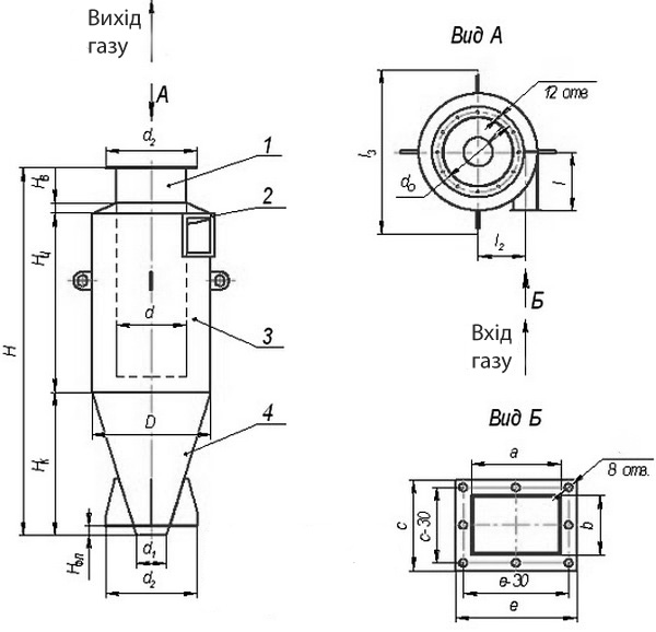
- Air enters the cyclone from the side
- There is a spiral swirling of air at an angle, which is determined by the inlet spigot (depending on the brand of dust collector speed 1-7 m/s and the number of revolutions 3-8)
- The centrifugal force causes the solid particles to collide with the walls and spiral into the hopper
- The clean air that remains in the center of the cyclone rises and exits through the upper opening
- The solids remain in the hopper.
Design of LlOT-9 cyclones
Structurally, cyclone LlOT-9 is made of black metal, but any other version is possible under the order. The seams are welded. The inlet and outlet spigots have flanges for connection to air ducts (custom-made adapters are possible). Cyclone in the middle and outside treated with primer. The cyclone can be made left or right-handed.
When LIOT cyclones are installed in battery units of 2, 4, 6, 8 cyclones in a group, the dust collection rate increases significantly, especially when it comes to fine dust.
The LIOT battery cyclone can be supplied with a hopper, a filter, a sight glass and other elements necessary for the most effective cyclone operation. The hopper size and shape depend on the customer's wishes. Usually its size is calculated according to the volume of dust which falls out between the desired cyclone cleaning periods.
Installation of cyclones LlOT-9
Cyclone for air purification LlOT-9 is installed in pair with a fan, which can be located both before and after the cyclone. It is reasonable to install a dust fan before the cyclone if small volumes of abrasive materials are expected. Fans can be installed after the cyclone only if the cyclone is equipped with a fan. When installing a fan after the cyclone, there is a possibility to equip the system not only with dusty fans VCP 5-45, VCP 6-45, VCP 6-46, VCP 7-40, but also with VCR 14-46, as in theory the output air is fully purified.
Главные характеристики циклонов LlOT-9
|
Model |
Productivity, m3/h |
Size, mm |
Weight, kg |
||
|
D |
H |
aхb |
|||
| LlOT-9 | 12600-16800 | 1765 | 5160 | 545x365 | 805 |
The price of the LlOT-9 battery cyclone is given without the cost of the hopper, pedestal and dust gate (the cost is calculated separately).
If you want to buy cyclone dust collector LlOT-9 at the lowest price, you can contact our managers in the most convenient way for you. It is also possible to place an online order directly on the site. We have an individual system of discounts for regular customers or when placing a large order. The company regularly announces special prices on popular products that are in stock. If you need advice on purchasing or selecting products, or you are interested in the full price list, our managers will be happy to help you. Price of cyclone dust collector LlOT-9 in our store is almost always below average. We do our best to provide our customers with the highest quality goods and service for a reasonable price.
Dimensions
DIMENSIONS OF LIOT-9
Overall dimensions are approximate. Photos are for reference only.
Due to the constant modernization, for accurate data, please contact the managers.

| Model | Overall dimensions, mm | ||||||||||||
| D | d | d1 | d2 | d0 | H | l | l2 | l3 | a | b | c | e | |
| LIOT-9 | 1765 | 1035 | 440 | 1140 | 1040 | 5160 | 880 | 700 | 1860 | 545 | 365 | 425 | 605 |


Reviews
There are no reviews yet.