| Engine KW / RPM | 4.0/3000 |
|---|---|
| Ventilator angle of rotation | L 0, L 135, L 180, L 270, L 315, L 45, L 90, R 0, R 135, R 180, R 270, R 315, R 45, R 90 |
| Material | Carbon steel |
| Model | ВЦ 6-28 (ВР 120-28) №5 |
| Max. transported air temperature, °C | |
| Design | Schema №1 |
| D/Dn | 0.9 |
| Pollution limits, mg/m³ | 100 |
| The mass of the fan with el. engine, kg | 990 |
| Fan's operating point: Pressure, Pa | 3516-3300 |
| Pressure ηmax | 3440 |
| Performance ηmax | 2450 |
| Rotations of impeller, rpm | 2870 |
| Rotation speed, rpm | 3000 |
| Fan's operating point: Airflow m³/h | 510-2890 |
VC 6-28 (VR 120-28) №5 with electric motor AIR 100 S2 4 kW 3000 rpm
ID 37484
In stock
ID 37484
In stock
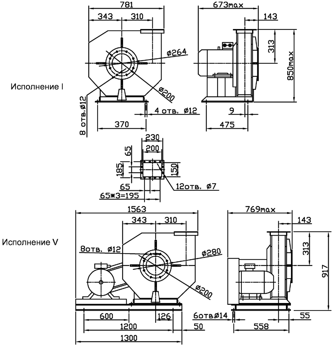
Dimensions

Be the first to review “VC 6-28 (VR 120-28) №5 with electric motor AIR 100 S2 4 kW 3000 rpm” Cancel reply
Aerodynamic characteristics
VC 6-28 fan aerodynamic characteristics
at barometric pressure of 760 mm Hg. Art. and temperature 20 ° С

Q - air productivity, thousand m3/h
Pv - total pressure
η - coeficient of eficiency
n - quantity of rotations on the impeller, rpm
N - power consumption of the engine, kW
U – wheel peripheral speed, m / s
-

VC 6-28 (VR 120-28) №6,3 with electric motor AIR 112 М4 5,5 kW 1500 rpm
Select... -

VC 6-28 (VR 120-28) №5 with electric motor AIR 160 М2 18,5 kW 3000 rpm
Select... -

VC 6-28 (VR 120-28) №5 with electric motor AIR 112 М2 7,5 kW 3000 rpm
Select... -

VC 6-28 (VR 120-28) №5 with electric motor AIR 100 L2 5,5 kW 3000 rpm
Select...





Reviews
There are no reviews yet.