VCKOK-0.13/3000 with electric engine OMM1 71 V2 0.13 kW 3000 rpm
Centrifugal fan (radial fan) two-stage high pressure series VTSKOK-0.13/3000 with electric motor OMM1 71 V2 0.13 kW 3000 rpmmade of steel 3, used for blowing the driver's cabin of a diesel locomotive ChS -4.
The fan is designed to move air and other gas mixtures, the aggressiveness of which in relation to carbon steels of ordinary quality is not higher than the aggressiveness of air, with a temperature not exceeding 80℃, not containing sticky substances, fibrous materials, as well as dust and other solid impurities in an amount of 0.1 g/m³.
Fans can be used in macroclimatic areas with moderate “U” and tropical “T” climates of the 2nd category of location according to GOST 15150-69. If the electric motor is protected from precipitation, it is allowed to operate fans in moderate climate conditions of the 1st category of location. Ambient temperature from -40℃ to +40℃ (+45℃ for tropical fans).
Design and operating principle of high-pressure centrifugal fans VTsKOK-0.13/3000 with electric motor OMM1 71 V2 0.13 kW 3000 rpm:
VTSKOK-0.13/3000 fans with an OMM1 71 V2 electric motor 0.13 kW 3000 rpm are manufactured in accordance with TU U28.2-24881057-003:2023 and are equipped with an OMM1 71V2 motor, which is capable of ensuring reliable operation with the rated voltage of the rolling stock network directly at the place of operation - in the driver’s cabin of the diesel locomotive ChS-4: 180V, 230V 260V.
The principle of operation of the fan is to move air to the center of the impeller and eject it to the periphery of a limited spiral of the housing with exhaust through the outlet pipe. The rotation of the impeller is carried out by a motor of varying power, which determines the fan parameters.
The ventilation system must be protected from foreign objects entering it.
Noise levels created by the ventilation system at workplaces should not exceed the values specified in accordance with GOST 12.1.003-76.
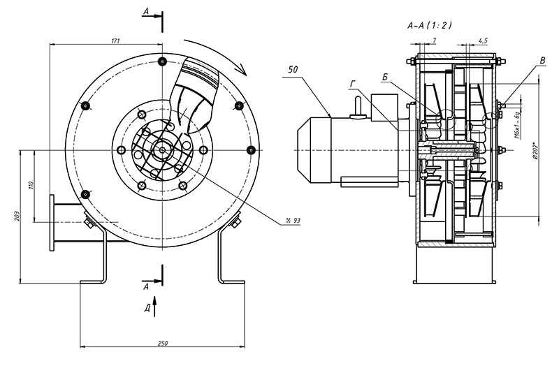
Dimensions

Reviews
There are no reviews yet.