| Material | Carbon steel |
|---|---|
| Ventilator angle of rotation | L 0, L 135, L 180, L 270, L 315, L 45, L 90, R 0, R 135, R 180, R 270, R 315, R 45, R 90 |
| D/Dn | 1 |
| Motor type | А, ДАЗО |
| The mass of the fan with el. engine, kg | 8180 |
| Engine KW / RPM | NULL/NULL |
| Design | Schema №1, Schema №3 |
| Model | ВДН-20 |
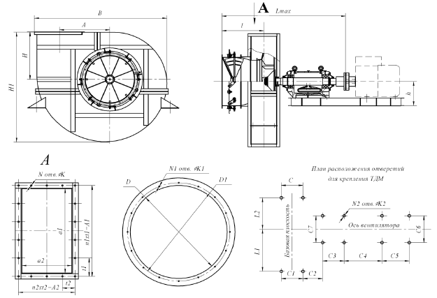
ВДН-20
Dimensions

С4, С5, С6 – размеры уточняются при выборе электродвигателя
| Модель | Габаритные размеры, мм | ||||||
| h | H | H1 | B | I | Lmax | A | |
| ВДН-20 | 545 | 1500 | 3840 | 4710 | 1140 | 3301 | 1720 |
| Модель | Присоединительные размеры, мм | |||||||||||||
| A1 | A2 | a1 | a2 | t1 | t2 | N | N1 | n1 | n2 | K | K1 | D | D1 | |
| ВДН-20 | 1930 | 1320 | 1800 | 1200 | 322 | 264 | 22 | 24 | 6 | 5 | 19 | 19 | 1800 | 1905 |
| Модель | Крепёжные размеры, мм | |||||||||
| N2 | K2 | C | C1 | C2 | C3 | C7 | L1 | L2 | ||
| ВДН-20 | 8 | 28 | 920 | 920 | 469 | 850 | 975 | 2127 | 1620 | |






Reviews
There are no reviews yet.