| Pressure ηmax | 9706 |
|---|---|
| Fan's operating point: Pressure, Pa | 8331-8275 |
| Performance ηmax | 3940 |
| Rotations of impeller, rpm | 2940 |
| Fan's operating point: Airflow m³/h | 1300-6670 |
| Rotation speed, rpm | 3000 |
| The mass of the fan with el. engine, kg | 308 |
| Pollution limits, mg/m³ | 150 |
| Material | Carbon steel |
| Ventilator angle of rotation | L 0, L 135, L 180, L 270, L 315, L 45, L 90, R 0, R 135, R 180, R 270, R 315, R 45, R 90 |
| Model | VVD №6,3 |
| Max. transported air temperature, °C | 40 |
| D/Dn | 1 |
| Design | Schema №1 |
| Engine KW / RPM | 30/3000 |
VVD №6,3 with electric motor AIR 180 М2 30 kW 3000 rpm
ID 37581
In stock
ID 37581
In stock
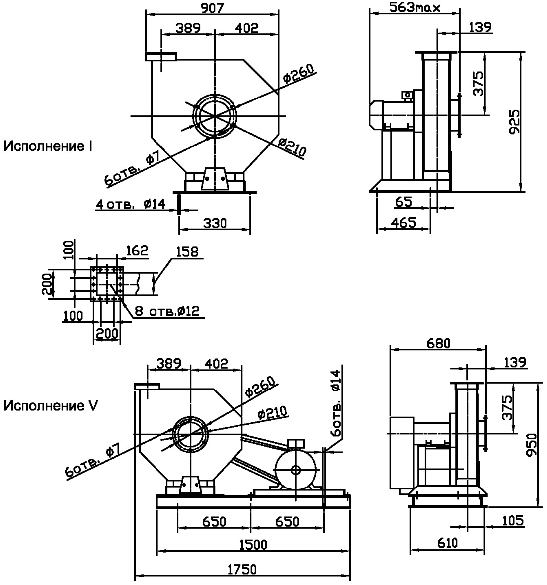
Dimensions

Be the first to review “VVD №6,3 with electric motor AIR 180 М2 30 kW 3000 rpm” Cancel reply
Aerodynamic characteristics
VVD fan aerodynamic characteristics, D=Dn
at barometric pressure of 760 mm Hg. Art. and temperature 20 ° С

Q - air productivity, thousand m3/h
Pv - total pressure
η - coeficient of eficiency
n - quantity of rotations on the impeller, rpm
N - power consumption of the engine, kW
U – wheel peripheral speed, m / s
-

VVD (VR 154-21) №9 with electric engine AIR 180 M4 30 kW 1500 RPM
Select... -

VVD (VR 154-21) №5 with electric engine AIR 132 M2 11 kW 3000 RPM
Select... -

VVD (VR 154-21) №5 with electric engine AIR 100 L2 5,5 kW 3000 RPM
Select... -

VVD (VR 154-21) №6,3 with electric engine AIR 160 M2 18,5 kW 3000 RPM
Select...





Reviews
There are no reviews yet.