| Производительность ηmax | 1000 |
|---|---|
| Диаметр, мм | 200 |
| Высота, мм | 1140 |
| Макс. температура перемещаемого воздуха, °С | 400 |
| Оптимальная скокрость, м/с | 6,6 |
| Предельное давление, Па | 1307 |
| Масса, кг | 116 |
ВЗП-200
Цена договорная
ВЗП-200
Циклон-пылеуловитель
Назначение циклонов ВЗП-200
Циклоны ВЗП-200 эффективно используются в системах пневмотранспорта и аспирации, в качестве пылеулавливающего оборудования для очистки газо-воздушных сред от средне и мелкодисперсной пыли. За счет своего универсального применения ВЗП можно устанавливать и эффективно использовать практически на любом производстве. Он способен справляться с различными видами пыли одновременно. Пылеуловители ВЗП успешно используют на предприятиях горнодобывающей промышленности, в работе с песком, глиной, цементом, с рудной пылью, с пылью асбеста и силиката, и прочими материалами. Для работы с пылью, которая имеет высокий процент абразива, циклон пылеуловитель ВЗП-200 рекомендуется изготавливать по спецзаказу из толстого металла и использовать его в качестве фильтра.Преимущества циклонов ВЗП-200
- Высокая степень очистки от мелкой пыли 95-99%
- Универсальный в использовании
- Отсутствие аналогов
- Низкая цена.
Принцип работы циклонов ВЗП-200
Принцип работы данного циклона пылеуловителя ВЗП-200 основывается на двух потоках воздуха, которые проходят разностороннее закручивание. Очистка начинается с закрутки основного потока, который движется по заданной траектории сверху вниз. Дополнительный вторичный поток поднимается снизу и проходит вдоль оси. При этом центробежная сила направляет твердые частицы от центра к стенкам циклона, и они оседают в бункере. После очистки, воздух из аппарата выводится через центральный выхлопной патрубок. Во время всего процесса доступно регулирование соотношением потоков, за счет чего достигается максимальная степень очистки, даже если исходные параметры очищаемого газа в процессе будут изменены. Циклон ВЗП работает в паре с вентилятором, который размещается непосредственно перед агрегатом. В данных установках желательно использовать следующие модели вентиляторов: ВЦП 5-45, ВЦП 6-45, ВЦП 6-46, ВЦП 7-40.Конструкция циклонов ВЗП-200
Циклон ВЗП изготавливается из листового углеродного металла, нержавеющей стали для пищевой промышленности и др. К отверстиям приварены фланцы, с помощью которых происходит связывание элементов. Иногда нужны переходники (оцинкованная сталь) для соединения различных размеров отверстий. Циклон для очистки воздуха ВЗП покрывается краской и упаковывается перед доставкой. Агрегат может изготавливаться, как в правостороннем исполнении, так и в левостороннем. Возможна комплектация накопительным бункером. Вид, толщина металла, габаритные размеры, форма, цена зависит от условий работы циклона и пожеланий клиента. Циклоны-пылеуловители ВЗП-200 изготавливаются для работ в климатических зонах с умеренным климатом. Климатическое исполнение УХЛ, категория размещения 4 по ГОСТ 15150-69.Главные характеристики циклонов ВЗП-200
| Модель | Производительность, м3/ч | Размер, мм | Масса, кг | ||
| D | H | aхb | |||
| ВЗП-200 | 1000 | 200 | 1140 | 132x52 | 52 |
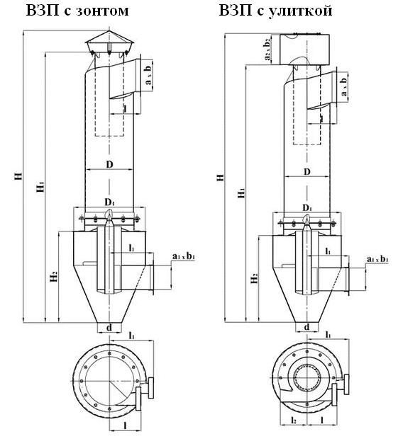
Габаритные размеры
РАЗМЕРЫ ВЗП-200
Габаритные размеры ориентировочные. Фото ознакомительное.
В связи с постоянной модернизацией, для получения точных данных обращайтесь к менеджерам.

| Модель | Габаритные размеры, мм | |||||||||||||
| D | D1 | d | H | H1 | H2 | a | b | a1 | b1 | a2 | b2 | l | l1 | |
| ВЗП-200 | 200 | 300 | 100 | 1310 | 1140 | 390 | 132 | 52 | 100 | 42 | 168 | 66 | 120 | 172 |


Отзывы
Отзывов пока нет.