СИОТ-М-10

ID 23769  Есть в наличии
Выбрать другой ›
ID 23769  Есть в наличии
Производи­тельность, м3/час 17500
Высота, мм 6334
Диаметр, мм 1240
Рабочее давление (макс.), Па: 4800
Масса, кг 1285
Эффективность очистки воздуха, %: 83-90

СИОТ-М-10

Циклон-пылеуловитель

Общие сведения о циклоне СИОТ-M-10

Циклон СИОТ-М применяется для грубой и средней очистки газо-воздушных сред от категорий сухой пыли, которая не содержат большого процента липких и абразивных веществ. Главным образом данные агрегаты используются в тех же областях, как и их предшественник (циклон СИОТ), для сухой очистки газо-воздушных смесей, которые выделяются во время технологических процессов: сушки, обжига, сжигания топлива, агломерации и пр. Они также эффективно применяются и в очистке аспирационного воздуха в таких промышленных отраслях, как: обработка черной и цветной металлургии, в машиностроении и в нефтепромысле, в энергетике и в изготовлении строительных материалов, а также в химической промышленности и во многих других направлениях, где может быть обосновано применение данных агрегатов. Однако также как и их предшественник, циклоны СИОТ-М не могут использоваться в условиях взрывоопасных сред, если их для этого ранее специально не оборудовать. Также данные агрегаты не рекомендуется применять для очистки воздушных масс от пыли, которая имеет в своем составе высокий процент липких и абразивных веществ. Циклоны промыватели СИОТ-М по своей эффективности близки к универсальным циклонам ЦН-15. Сопротивление циклона находится в пределах – 650-1200 Па. Предельное давление – 4800 Па. Скорость газа в воздуховоде находится в пределах – 15-18 м/сек. В соответствии с серией, бункера циклонов могут комплектоваться шиберным затвором или затвором (мигалкой).

Преимущества циклона СИОТ-M-10

Основным отличием модернизированных моделей от модели старого образца является еще большая эффективность очистки воздуха, которую могут обеспечить данные агрегаты. Циклоны СИОТ-М обозначаются, как агрегаты повышенной эффективности. В отличие от модели старого образца в эту серию были включены еще три добавочных номера диаметров циклона: 8, 9 и 10. Это стало возможным за счет того, что в модернизированных моделях качество очистки воздуха получило более высокий коэффициент, чем в моделях старого образца, что и позволило расширить их модельный ряд до десяти. Модернизация не прошла и мимо остальных составляющих элементов системы. Например, был внесен ряд изменений в конструкцию бункера, что значительно упростило процесс изготовления агрегата и его эксплуатацию. Конструкция раскручивателя тоже была упрощена, и вместо винтовой крышки он был изготовлен в виде улитки. По причине того, что коэффициент сопротивления в циклоне раскручиватель которого сделан в виде плоского щита, достаточно высок, было принято решение не включать его в конструкцию модернизированных моделей. Также был увеличен диаметр пылевыпускного отверстия и толщина корпуса с 2 мм до 3 мм, а его высота была уменьшена фактически на 30 процентов.

При выборе модели циклона для очистки воздуха СИОТ-M-10 нужно обратить внимание на следующие параметры:

  • Место образования и характеристики пыли;
  • Состав пыли по видам и размерам частиц;
  • Объем очистки воздуха м3/ч;
  • Степень насыщенности пылью.

Конструктивное исполнение циклона СИОТ-M-10

Конструктивно данные агрегаты, как и многие другие, изготавливаются из специального не поддающегося коррозийным воздействиям металла черного цвета, однако по желанию заказчика возможно изготовление циклонов из любого другого материала, в том числе и пригодного для эксплуатации во взрывоопасных средах. В циклонах СИОТ-М между корпусом и бункером устанавливается глухая цилиндрическая вставка, в результате чего искусственно снижается интенсивность вихря в нижней части корпуса и бункере. Как следствие, уменьшается вторичный унос пыли. По сравнению с конструкцией СИОТ общий унос пыли уменьшается в 2 – 2,5 раза. Данные агрегаты могут изготавливаться, как с правосторонним закручиванием воздушного потока, так и с закручивание левостороннего типа. Циклоны СИОТ-М могут устанавливаться как на стороне всасывания, так и на стороне нагнетания по отношению к вентилятору.

Бункер циклона СИОТ-M-10

Бункер для циклонов СИОТ-М изготавливается по персональным требованиям заказчика и желаемой периодичностью его очистки. Отфильтрованная пыль собирается и оседает в бункере, поэтому необходимо обеспечивать его регулярную очистку. Выгрузка пыли из накопительного бункера должна обеспечиваться в соответствии с заданной периодичностью очистки. Нельзя допускать, чтоб уровень пыли превышал допустимой нормы, иначе бункер может забиться, что скажется на эффективности всей системы и вызовет снижение ее показателей. Для того чтобы предотвратить подсос воздуха и снижение показателей очистки, бункер герметично приваривается к корпусу циклона. Такая конструкция обеспечивает данным агрегатом достаточно высокие показатели и степень очистки, которая составляет от 83 до 90%. Степень очистки зависит от вида пыли, вентилятора, марки циклона, толщины воздуховодов и тд. На выбор конкретного типоразмера главным образом влияет желаемая производительность системы с учетом рекомендуемых скоростей в круглом сечении входного патрубка, потери давления в циклоне и располагаемого напора вентилятора, по графикам. При скоростях движения потока менее 15 м/сек., снижается эффективность очистки. При расчете системы аспирации следует обратить внимание на следующие элементы:

  • Длина и ширина зонта на входе воздуха;
  • Скорость движения газа в воздуховоде;
  • Общая протяженность системы;
  • Высота подъема;
  • Марка циклона и вентилятора (давление и пропускная способность).

Монтаж циклона СИОТ-M-10

Циклоны СИОТ-М монтируются на специальном постаменте (ножки). Данные агрегаты можно размещать, как внутри помещения, так и снаружи.

Для первичного расчета циклона воспользуйтесь главными его характеристиками, перечисленными в приведенной ниже таблице.

Главные характеристики циклона СИОТ-M-10

Модель

Производительность, м3

Размер, мм

Масса, кг

D

H

СИОТ-М-10 17500 1240 6334 1285

Если Вы хотите купить циклон-пылеуловитель СИОТ-M-10 по минимальной цене, Вы можете связаться с нашими менеджерами наиболее удобным для вас способом. Также возможно оформить онлайн-заказ прямо на сайте. У нас действует индивидуальная система скидок для постоянных клиентов или при оформлении крупного заказа. Компания регулярно анонсирует акционные цены на популярные позиции по товарам, которые есть в наличии на складе. В случае, если Вам нужна консультация по покупке или подбору товара или же вас интересует полный прайс-лист, менеджеры нашей компании будут рады Вам помочь. Цена на циклон-пылеуловитель СИОТ-M-10 в нашем магазине почти всегда ниже средней. Мы делаем все, чтобы наши клиенты получали высочайшее качество товаров и сервиса за разумную цену.

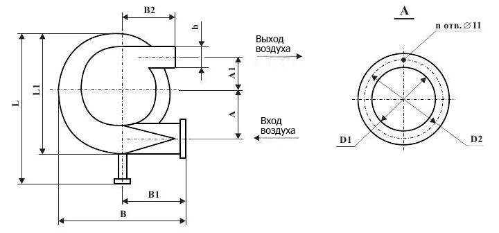
Габаритные размеры

РАЗМЕРЫ СИОТ-М-10

Габаритные размеры ориентировочные. Фото для ознакомления.
В связи с постоянной модернизацией, для получения точных данных обращайтесь к менеджерам.

ciklony-siot-m-gabarits1
  • 1 - раскручиватель потока
  • 2 - выхлопная труба
  • 3 - цилиндрическая вставка
  • 4 - штырь
  • 5 - диск
  • 6 - входной патрубок
  • 7 - фланец
  • 8 - коническая манжета
  • 9 - бункер
  • 10 - затвор

ciklony-siot-m1-s-shibernym-zatvorom-gabaritsciklony-siot-m-gabarits3

Модель Габаритные размеры, мм n, шт
D D1 D2 d A A1 B B1 B2 b L L1 H H1 h h1
СИОТ-М-10 1240 615 585 530 910 665 2405 1182 1070 470 2440 2440 6334 4699 860 350 10

Отзывы

Отзывов пока нет.

Будьте первым, кто оставил отзыв на “СИОТ-М-10”

Ваш адрес email не будет опубликован. Обязательные поля помечены *