| Исполнение | Схема №1 |
|---|---|
| Предел загрязненности, мг/м³ | 100 |
| Модель | ВЦ 10-28 (ВР 200-28) №5 |
| Двигатель кВт / об./мин | 37/3000 |
| Рабочая точка вентилятора: Производительность, м³/ч | 4450-9690 |
| Направление вращения и угол поворота | Л 0, Л 135, Л 180, Л 270, Л 315, Л 45, Л 90, Пр 0, Пр 135, Пр 180, Пр 270, Пр 315, Пр 45, Пр 90 |
| D/Dн | 1 |
| Рабочая точка вентилятора: Давление, Па | 6672-7431 |
| Материал | Углеродистая сталь |
| Количество оборотов рабочего колеса, об./мин | 2940 |
| Производительность ηmax | 6810 |
| Давление ηmax | 7420 |
ВЦ 10-28 (ВР 200-28) №5 с эл.двигателем АИР 200 M2 37 кВт 3000 об./мин
Центробежный вентилятор среднего давления
ID 8813
Есть в наличии
Центробежный вентилятор среднего давления
ID 8813
Есть в наличии
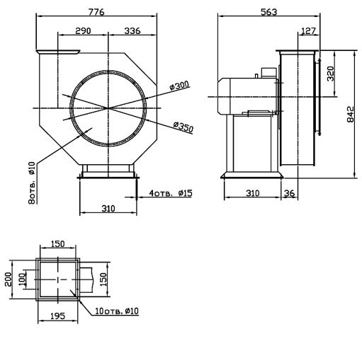
Габаритные размеры

Будьте первым, кто оставил отзыв на “ВЦ 10-28 (ВР 200-28) №5 с эл.двигателем АИР 200 M2 37 кВт 3000 об./мин” Отменить ответ
Аэродинамические характеристики
Аэродинамические характеристики вентилятора ВЦ 10-28, Исполнение 1, D=Dn
при температуре перемещаемой среды 20° С и барометрическом давлении 760 мм рт. ст.

Q - производительность по воздуху, тыс.м3/ч
Pv - полное давление
η - коэффициент полезного действия (КПД)
N - потребляемая мощность двигателя, кВт
U - окружная скорость колеса, м/с
n - количество оборотов на рабочем колесе, об/мин
-

ВЦ 10-28 (ВР 200-28) №4 с эл.двигателем АИР 132 M2 11 кВт 3000 об./мин
Выбрать... -

ВЦ 10-28 (ВР 200-28) №5 с эл.двигателем АИР 112 M4 5,5 кВт 1500 об./мин
Выбрать... -

ВЦ 10-28 (ВР 200-28) №2,5 с эл.двигателем АИР 56 A4 0,12 кВт 1500 об./мин
Выбрать... -

ВЦ 10-28 (ВР 200-28) №3,15 с эл.двигателем АИР 100 S2 4 кВт 3000 об./мин
Выбрать...





Отзывы
Отзывов пока нет.