| Design | Scheme No. 1 motor on shaft, Scheme No. 3 with industrial support, Scheme No. 3 on housing bearings |
|---|---|
| D/Dn | 1 |
| Rotation speed, rpm | 750 |
| Performance ηmax | 30100 |
| Fan's operating point: Airflow m³/h | 6300-33100 |
| Pressure ηmax | 2172 |
| Fan's operating point: Pressure, Pa | 1820-2170 |
| The mass of the fan with el. engine, kg | 1245 |
| Pollution limits, mg/m³ | 2000 |
| Model | Д №12 |
| Max. transported air temperature, °C | 200-250 |
| Engine KW / RPM | 30/750 |
| Ventilator angle of rotation | L 0, L 180, L 270, L 45, L 90, Л 15, Л 60, Л 75, Л30, П 0, П 15, П 180, П 30, П 343, П 45, П 60, П 75, П 90 |
| Material | Carbon steel |
D №12 with electric motor AIR 225 М8 30 kW 750 rpm
Smoke exhauster
ID 36083
In stock
Smoke exhauster
ID 36083
In stock
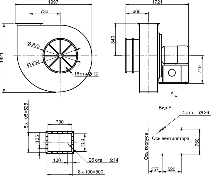
Dimensions

Be the first to review “D №12 with electric motor AIR 225 М8 30 kW 750 rpm” Cancel reply
Aerodynamic characteristics
D smoke exhausters aerodynamic characteristics
at barometric pressure of 760 mm Hg. Art.

Q - air productivity, thousand m3/h
Pv - total pressure
η - coeficient of eficiency
n - quantity of rotations on the impeller, rpm
N - power consumption of the engine, kW
U – wheel peripheral speed, m / s






Reviews
There are no reviews yet.