| Design | Schema №1, Schema №3, Schema №5.1, Schema №5.2 |
|---|---|
| D/Dn | 0.9, 0.95, 1 |
| Rotation speed, rpm | 1500 |
| Rotations of impeller, rpm | 1460 |
| Performance ηmax | 12670, 10850, 13850 |
| Fan's operating point: Airflow m³/h | 5660-19800, 4600-19890, 4140-16200 |
| Pressure ηmax | 1809, 1883, 2329 |
| Fan's operating point: Pressure, Pa | 2001-1295, 2060-1168, 2646-2200 |
| The mass of the fan with el. engine, kg | 376, 378, 380 |
| Pollution limits, mg/m³ | 300000 |
| Model | ВЦП 5-45 №8 |
| Max. transported air temperature, °C | 80 |
| Engine KW / RPM | 18.5/1500 |
| Ventilator angle of rotation | L 0, L 135, L 180, L 270, L 315, L 45, L 90, R 0, R 135, R 180, R 270, R 315, R 45, R 90 |
| Material | Carbon steel |
VСP 5-45 №8 with electric engine AIR 160 M4 18,5 kW 1500 RPM
Dust centrifugal fan
ID 10493
In stock
Dust centrifugal fan
ID 10493
In stock
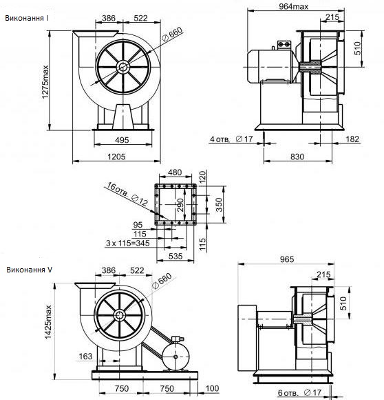
Dimensions

Be the first to review “VСP 5-45 №8 with electric engine AIR 160 M4 18,5 kW 1500 RPM” Cancel reply
Aerodynamic characteristics
VCP 5-45 fan aerodynamic characteristics
at barometric pressure of 760 mm Hg. Art. and temperature 20 ° С











Reviews
There are no reviews yet.