| Rotations of impeller, rpm | 2630 |
|---|---|
| D/Dn | 1 |
| Performance ηmax | 6620 |
| Pressure ηmax | 3000 |
| Design | Schema №5.1, Schema №5.2 |
| Fan's operating point: Airflow m³/h | 2730-11840 |
| Rotation speed, rpm | 3000 |
| Fan's operating point: Pressure, Pa | 3226-1901 |
| Max. transported air temperature, °C | 80 |
| Pollution limits, mg/m³ | 300000 |
| Engine KW / RPM | 18.5/3000 |
| Material | Carbon steel |
| The mass of the fan with el. engine, kg | 323 |
| Ventilator angle of rotation | L 0, L 135, L 180, L 270, L 315, L 45, L 90, R 0, R 135, R 180, R 270, R 315, R 45, R 90 |
| Model | ВЦП 6-45 №5 |
VCP 6-45 №5 with electric motor AIR 160 М2 18,5 kW 3000 rpm
ID 37717
In stock
ID 37717
In stock
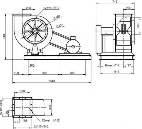
Dimensions

Be the first to review “VCP 6-45 №5 with electric motor AIR 160 М2 18,5 kW 3000 rpm” Cancel reply
Aerodynamic characteristics
VCP 5-45 fan aerodynamic characteristics
at barometric pressure of 760 mm Hg. Art. and temperature 20 ° С

Q - air productivity, thousand m3/h
Pv - total pressure
η - coeficient of eficiency
n - quantity of rotations on the impeller, rpm
N - power consumption of the engine, kW
U – wheel peripheral speed, m / s










Reviews
There are no reviews yet.