| Design | Schema №5.1, Schema №5.2 |
|---|---|
| D/Dn | 1 |
| Rotation speed, rpm | 1500 |
| Rotations of impeller, rpm | 1700 |
| Performance ηmax | 3580 |
| Fan's operating point: Airflow m³/h | 1190-7380 |
| Pressure ηmax | 1541 |
| Fan's operating point: Pressure, Pa | 1616-854 |
| The mass of the fan with el. engine, kg | 198 |
| Pollution limits, mg/m³ | 300000 |
| Model | ВЦП 7-40 №5 |
| Max. transported air temperature, °C | 80 |
| Engine KW / RPM | 5.5/1500 |
| Ventilator angle of rotation | L 0, L 135, L 180, L 270, L 315, L 45, L 90, R 0, R 135, R 180, R 270, R 315, R 45, R 90 |
| Material | Carbon steel |
VСP 7-40 №5 with electric engine AIR 112 M4 5,5 kW 1500 RPM
Dust centrifugal fan
ID 9858
In stock
Dust centrifugal fan
ID 9858
In stock
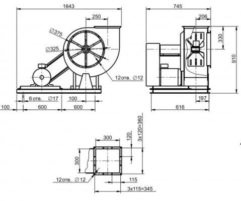
Dimensions

Be the first to review “VСP 7-40 №5 with electric engine AIR 112 M4 5,5 kW 1500 RPM” Cancel reply
Aerodynamic characteristics
VCP 7-40 fan aerodynamic characteristics, Modification 5, D=Dn
at barometric pressure of 760 mm Hg. Art. and temperature 20 ° С

Q - air productivity, thousand m3/h
Pv - total pressure
η - coeficient of eficiency
n - quantity of rotations on the impeller, rpm
N - power consumption of the engine, kW
U – wheel peripheral speed, m / s






Reviews
There are no reviews yet.