| Исполнение | Схема №1, Схема №3, Схема №5.1, Схема №5.2 |
|---|---|
| D/Dн | 1 |
| Скорость вращения, об./мин | 1500 |
| Количество оборотов рабочего колеса, об./мин | 1460 |
| Производительность ηmax | 19430 |
| Рабочая точка вентилятора: Производительность, м³/ч | 9080-24000 |
| Давление ηmax | 2587 |
| Рабочая точка вентилятора: Давление, Па | 2717-2370 |
| Масса вентилятора с эл. двигателем, кг | 520 |
| Предел загрязненности, мг/м³ | 100000 |
| Модель | ВЦП 6-46 №8 |
| Макс. температура перемещаемого воздуха, °С | 80 |
| Двигатель кВт / об./мин | 30/1500 |
| Направление вращения и угол поворота | Л 0, Л 135, Л 180, Л 270, Л 315, Л 45, Л 90, Пр 0, Пр 135, Пр 180, Пр 270, Пр 315, Пр 45, Пр 90 |
| Материал | Углеродистая сталь |
ВЦП 6-46 №8 с эл.двигателем АИР 180 М4 30 кВт 1500 об./мин
ID 37747
Есть в наличии
ID 37747
Есть в наличии
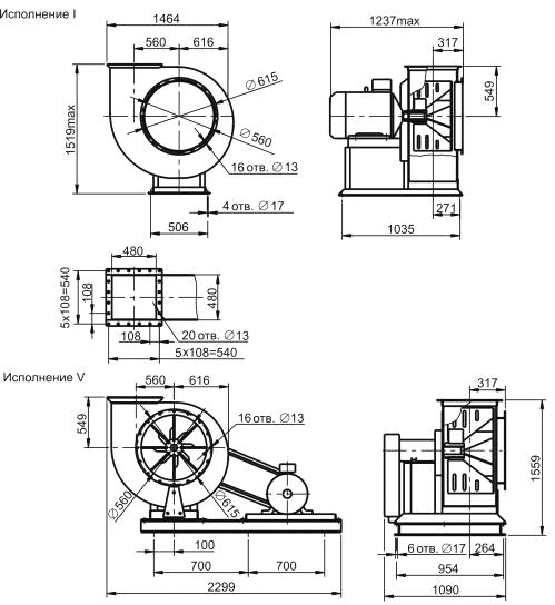
Габаритные размеры

Будьте первым, кто оставил отзыв на “ВЦП 6-46 №8 с эл.двигателем АИР 180 М4 30 кВт 1500 об./мин” Отменить ответ
Аэродинамические характеристики
Аэродинамические характеристики вентилятора ВЦП 6-46, D=Dn
при температуре перемещаемой среды 20° С и барометрическом давлении 760 мм рт. ст.

Q - производительность по воздуху, тыс.м3/ч
Pv - полное давление, Па
η - коэффициент полезного действия (КПД)
n - частота вращения рабочего колеса, об/мин
N - потребляемая мощность двигателя, кВт
U - окружная скорость колеса, м/с










Отзывы
Отзывов пока нет.