| Робоча точка вентилятора: Продуктивність, м³/год | 2200-7620 |
|---|---|
| Тиск ηmax | 624 |
| Продуктивність ηmax | 4510 |
| Кількість обертів робочого колеса, об./хв | 950 |
| Швидкість обертання, об./хв | 1000 |
| Робоча точка вентилятора: Тиск, Па | 469-649 |
| Маса вентилятора з ел. двигуном, кг | 89 |
| Матеріал виконання | Вуглецева сталь |
| Виконання | Схема №1 |
| Кут повороту вентилятора | Л 0, Л 135, Л 180, Л 270, Л 315, Л 45, Л 90, Пр 0, Пр 135, Пр 180, Пр 270, Пр 315, Пр 45, Пр 90 |
| Двигун кВт / об. / Хв | 3/1000 |
| Межа забрудненості, мг/м³ | 100 |
| Модель | ВЦ 14-46 №4 |
| D/Dн | 1 |
ВЦ 14-46 №4 з ел.двигуном АІР 112 MA6 3 кВт 1000 об./хв
Відцентровий вентилятор середнього тиску
ID 8563
Є в наявності
Відцентровий вентилятор середнього тиску
ID 8563
Є в наявності
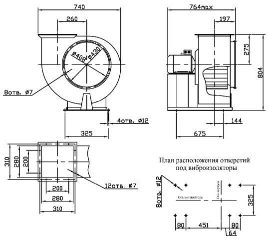
Габаритні розміри

Будьте першим, хто залишив відгук “ВЦ 14-46 №4 з ел.двигуном АІР 112 MA6 3 кВт 1000 об./хв” Скасувати відповідь
Аеродинамічні характеристики
Аеродинамічні характеристики вентилятора ВЦ 14-46
при температурі переміщуваного середовища 20 °С і барометричному тиску 760 мм рт. ст.










Відгуки
Відгуків немає, поки що.