ВЦ 6-28 (ВР 120-28) №5 с эл.двигателем АИР 112 М2 7,5 кВт 3000 об./мин

ID 9117  Есть в наличии
Выбрать другой ›
Выбрать другой ›
Выбрать другой ›
Выбрать другой ›
ID 9117  Есть в наличии

Цены на вентиляторы с рабочим колесом D = 1,05Dn, D = 1,1 Dn, уточнять у менеджера

Рабочая точка вентилятора: Производительность, м³/ч 510-4990, 580-5480, 590-4300, 560-3580
D/Dн 0.9, 0.95, 1, 1.05
Скорость вращения, об./мин 3000
Материал Углеродистая сталь
Количество оборотов рабочего колеса, об./мин 2870, 2885, 2886
Давление ηmax 3440, 3984, 4557, 4959
Рабочая точка вентилятора: Давление, Па 3516-1272, 3903-1559, 4208-4380, 4873-4830
Масса вентилятора с эл. двигателем, кг 129,0, 130,0
Предел загрязненности, мг/м³ 100
Модель ВЦ 6-28 (ВР 120-28) №5
Макс. температура перемещаемого воздуха, °С
Двигатель кВт / об./мин 7.5/3000
Направление вращения и угол поворота Л 0, Л 135, Л 180, Л 270, Л 315, Л 45, Л 90, Пр 0, Пр 135, Пр 180, Пр 270, Пр 315, Пр 45, Пр 90
Производительность ηmax 2450, 2540, 2210, 3280
Исполнение Схема №1

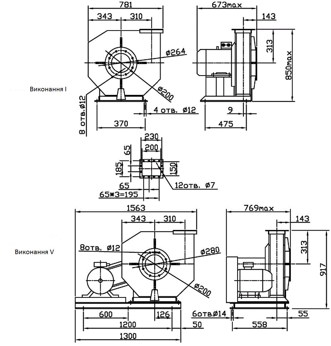
Габаритные размеры

Габаритные размеры промышленного вентилятора ВЦ 6-28 (ВР 120-28) №5

Отзывы

Отзывов пока нет.

Будьте первым, кто оставил отзыв на “ВЦ 6-28 (ВР 120-28) №5 с эл.двигателем АИР 112 М2 7,5 кВт 3000 об./мин”

Ваш адрес email не будет опубликован. Обязательные поля помечены *

Аэродинамические характеристики

Аэродинамические характеристики вентилятора ВЦ 6-28
при температуре перемещаемой среды 20° С и барометрическом давлении 760 мм рт. ст.

Аэродинамические характеристики ВЦ 6-28 (ВР 120-28) №5

Q - производительность по воздуху, тыс.м3/ч
Pv - полное давление, Па
η - коэффициент полезного действия (КПД)
n - частота вращения рабочего колеса, об/мин
N - потребляемая мощность двигателя, кВт
U - окружная скорость колеса, м/с