| Двигун кВт / об. / Хв | 18.5/1500 |
|---|---|
| Кут повороту вентилятора | Л 0, Л 135, Л 180, Л 270, Л 315, Л 45, Л 90, Пр 0, Пр 135, Пр 180, Пр 270, Пр 315, Пр 45, Пр 90 |
| Матеріал виконання | Вуглецева сталь |
| Модель | ВЦ 6-28 (ВР 120-28) №8 |
| Макс. температура переміщуваного повітря, °С | |
| Виконання | Схема №5.1, Схема №5.2 |
| D/Dн | 1 |
| Межа забрудненості, мг/м³ | 100 |
| Маса вентилятора з ел. двигуном, кг | 581,0, 584,0 |
| Робоча точка вентилятора: Тиск, Па | 3308-1421, 4193-3700 |
| Тиск ηmax | 3577, 4541 |
| Продуктивність ηmax | 5030, 5660 |
| Кількість обертів робочого колеса, об./хв | 1600, 1800 |
| Швидкість обертання, об./хв | 1500 |
| Робоча точка вентилятора: Продуктивність, м³/год | 1350-13330, 1520-10700 |
ВЦ 6-28 (ВР 120-28) №8 з елюдвигуном АІР 160 М4 18,5 кВт 1500 об./хв
ID 9165
Є в наявності
ID 9165
Є в наявності
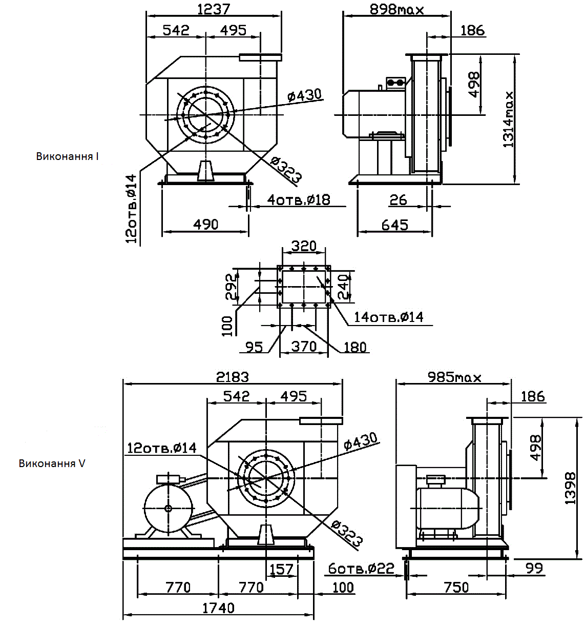
Габаритні розміри

Будьте першим, хто залишив відгук “ВЦ 6-28 (ВР 120-28) №8 з елюдвигуном АІР 160 М4 18,5 кВт 1500 об./хв” Скасувати відповідь
Аеродинамічні характеристики
Аеродинамічні характеристики вентилятора ВЦ 6-28
при температурі переміщуваного середовища 20 °С і барометричному тиску 760 мм рт. ст.

Q - продуктивність по повітрю, тис.м3/год
Pv - повний тиск, Па
η - коефіцієнт корисної дії (ККД)
n - частота обертання робочого колеса, об/хв
N - споживана потужність двигуна, кВт
U - окружна швидкість колеса, м/с
-

ВЦ 6-28 (ВР 120-28) №5 з ел.двигуном АІР 100 L2 5,5 кВт 3000 об./хв
Обрати... -

ВЦ 6-28 (ВР 120-28) №5 з ел.двигуном АІР 80 В4 1,5 кВт 1500 об./хв
Обрати... -

ВЦ 6-28 (ВР 120-28) №6,3 з елюдвигуном АІР 112 М4 5,5 кВт 1500 об./хв
Обрати... -

ВЦ 6-28 (ВР 120-28) №5 з ел.двигуном АІР 100 S2 4 кВт 3000 об./хв
Обрати...




Відгуки
Відгуків немає, поки що.