| Модель | ВВД №11 |
|---|---|
| Кут повороту вентилятора | Л 0, Л 135, Л 180, Л 270, Л 315, Л 45, Л 90, Пр 0, Пр 135, Пр 180, Пр 270, Пр 315, Пр 45, Пр 90 |
| Макс. температура переміщуваного повітря, °С | 40 |
| D/Dн | 1 |
| Двигун кВт / об. / Хв | 18.5/1000 |
| Виконання | Схема №1 |
| Матеріал виконання | Вуглецева сталь |
| Межа забрудненості, мг/м³ | 150 |
| Продуктивність ηmax | 7310 |
| Робоча точка вентилятора: Тиск, Па | 2846-2824 |
| Кількість обертів робочого колеса, об./хв | 970 |
| Робоча точка вентилятора: Продуктивність, м³/год | 2400-12370 |
| Маса вентилятора з ел. двигуном, кг | 641 |
| Швидкість обертання, об./хв | 1000 |
| Тиск ηmax | 3274 |
ВВД №11 з ел.двигуном АІР 180 М6 18,5 кВт 1000 об./хв
ID 37601
Є в наявності
ID 37601
Є в наявності
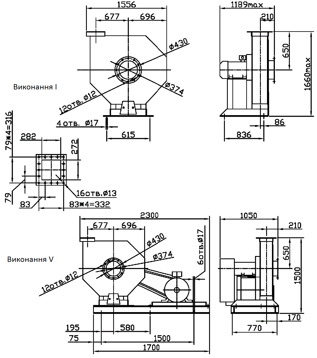
Габаритні розміри

Будьте першим, хто залишив відгук “ВВД №11 з ел.двигуном АІР 180 М6 18,5 кВт 1000 об./хв” Скасувати відповідь
Аеродинамічні характеристики
Аеродинамічні характеристики вентилятора ВВД, D=Dn
при температурі переміщуваного середовища 20 °С і барометричному тиску 760 мм рт. ст.

Q - продуктивність по повітрю, тис.м3/год
Pv - повний тиск, Па
η - коефіцієнт корисної дії (ККД)
n - частота обертання робочого колеса, об/хв
N - споживана потужність двигуна, кВт
U - окружна швидкість колеса, м/с









Відгуки
Відгуків немає, поки що.