| Кількість обертів робочого колеса, об./хв | 3300, 3500 |
|---|---|
| D/Dн | 1 |
| Продуктивність ηmax | 2200, 2350 |
| Тиск ηmax | 7654, 8636 |
| Виконання | Схема №5.1, Схема №5.2 |
| Робоча точка вентилятора: Продуктивність, м³/год | 730-3700, 770-3200 |
| Швидкість обертання, об./хв | 3000 |
| Робоча точка вентилятора: Тиск, Па | 6587-6600, 7422-8100 |
| Макс. температура переміщуваного повітря, °С | 40 |
| Межа забрудненості, мг/м³ | 150 |
| Двигун кВт / об. / Хв | 11/3000 |
| Матеріал виконання | Вуглецева сталь |
| Маса вентилятора з ел. двигуном, кг | 121 |
| Кут повороту вентилятора | Л 0, Л 135, Л 180, Л 270, Л 315, Л 45, Л 90, Пр 0, Пр 135, Пр 180, Пр 270, Пр 315, Пр 45, Пр 90 |
| Модель | ВВД №5 |
ВВД (ВР 154-21) №5 з ел.двигуном АІР 132 M2 11 кВт 3000 об./хв
Відцентровий вентилятор високого тиску
ID 8913
Є в наявності
Відцентровий вентилятор високого тиску
ID 8913
Є в наявності
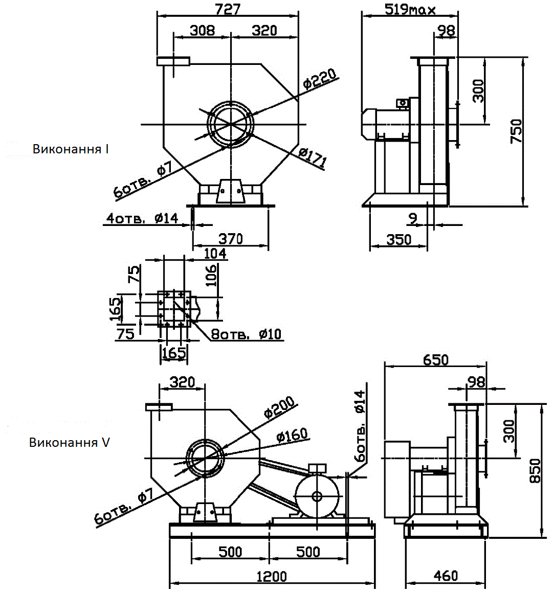
Габаритні розміри

Будьте першим, хто залишив відгук “ВВД (ВР 154-21) №5 з ел.двигуном АІР 132 M2 11 кВт 3000 об./хв” Скасувати відповідь
Аеродинамічні характеристики
Аеродинамічні характеристики вентилятора ВВД, D=Dn
при температурі переміщуваного середовища 20 °С і барометричному тиску 760 мм рт. ст.

Q - продуктивність по повітрю, тис.м3/год
Pv - повний тиск, Па
η - коефіцієнт корисної дії (ККД)
n - частота обертання робочого колеса, об/хв
N - споживана потужність двигуна, кВт
U - окружна швидкість колеса, м/с









Відгуки
Відгуків немає, поки що.