| Виконання | Схема №5.1, Схема №5.2 |
|---|---|
| D/Dн | 1 |
| Швидкість обертання, об./хв | 1500 |
| Кількість обертів робочого колеса, об./хв | 1000 |
| Продуктивність ηmax | 13300 |
| Робоча точка вентилятора: Продуктивність, м³/год | 6220-26440 |
| Тиск ηmax | 1213 |
| Робоча точка вентилятора: Тиск, Па | 1275-658 |
| Маса вентилятора з ел. двигуном, кг | 590 |
| Межа забрудненості, мг/м³ | 100000 |
| Модель | ВЦП 6-46 №8 |
| Макс. температура переміщуваного повітря, °С | 80 |
| Двигун кВт / об. / Хв | 15/1500 |
| Кут повороту вентилятора | Л 0, Л 135, Л 180, Л 270, Л 315, Л 45, Л 90, Пр 0, Пр 135, Пр 180, Пр 270, Пр 315, Пр 45, Пр 90 |
| Матеріал виконання | Вуглецева сталь |
ВЦП 6-46 №8 з ел.двигуном АІР 160 S4 15 кВт 1500 об./хв
ID 37749
Є в наявності
ID 37749
Є в наявності
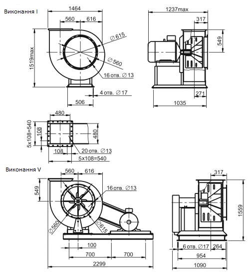
Габаритні розміри

Будьте першим, хто залишив відгук “ВЦП 6-46 №8 з ел.двигуном АІР 160 S4 15 кВт 1500 об./хв” Скасувати відповідь
Аеродинамічні характеристики
Аеродинамічні характеристики вентилятора ВЦП 7-40, D=Dn
при температурі переміщуваного середовища 20 °С і барометричному тиску 760 мм рт. ст.

Q - продуктивність по повітрю, тис.м3/год
Pv - повний тиск, Па
η - коефіцієнт корисної дії (ККД)
n - частота обертання робочого колеса, об/хв
N - споживана потужність двигуна, кВт
U - окружна швидкість колеса, м/с






Відгуки
Відгуків немає, поки що.